CADILLAC 1982-1987 DFI monopoint sur HT4100 - 250ci LT8 .
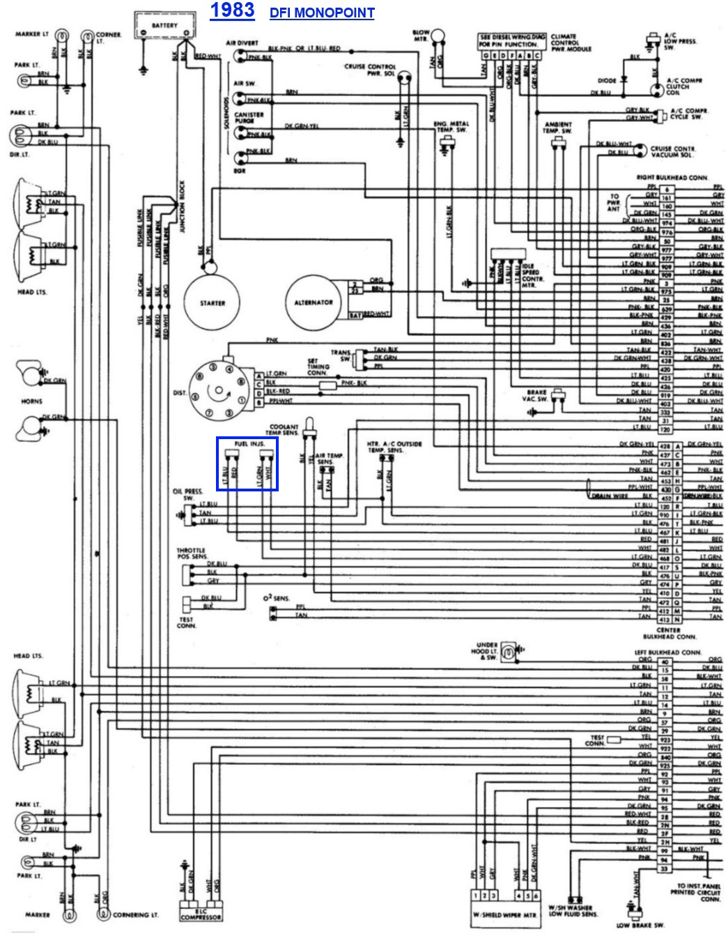
Suite à l'échec du trop ambitieux V8-6-4 de 1981, Cadillac tenta de corriger sa copie en 1982 avec le HT-4100. Une version d'injection simplifiée DFI ( Digital Fuel Injection ) sans désactivation de cylindre (à base de TBI). Nommé pompeusement HT pour High Technology (Haute Technologie) c'est en fait un moteur bloc aluminium, chemises fonte rapportées, culasse fonte et cylindrée réduite de 250ci pour 4100cm3. Le HT4100 ne fut pas le meilleur sucesseur car de part sa conception il amena des problémes de fiabilité : joints de culasse, boulonnerie, pompe à huile aluminium, paliers d'arbre à cames, etc... Le HT4100 LT8 fut produit jusqu'en 1987, son successeur le HT4500 de 1988 (réalésage du 4100) passe en injection PFI multipoint séquentielle.
Il existe 2 configurations avec la même injection DFI : en propulsion moteur longitudinal et en traction moteur transversal.

  

RETOUR PAGE D'ACCUEUIL BIGTOYS ASSOCIATION