 |
|
|
|
 |
|
 |
|
| GENERAL MOTORS CROSSFIRE double TBI (Throttle Body Injection) monopoint : Corvette Camaro Firebird. |
|
| Chez General Motors l'injection Crossfire pour les Chevrolet Corvette de 1982 (C3 pas de production en 1983) et la C4 de 1984, sur les Chevrolet Camaro Z28 en 1982-1983 et les Pontiac Firebird en 1982-1983. Montée sur les V8 350ci (5.7 litres) L83 et les 305ci (5 litres) LU5. Aprés les carburateurs mais avant les TPI multipoint ( Tune Port Injection). C'est une injection basse pression continue (9 à 14 psi), par deux corps de papillon à simple injecteur (TBI), un maitre et un esclave à l'entrée d'un seul collecteur d'admission (monopoint). Un TBI maitre alimenté par la pompe avec compensateur de pulsation intégré puis il alimente un TBI esclave avec régulateur de pression intégré pour retour au réservoir. Les deux sont inter-dépendant et synchronisés. |
|
 |
|
|
| 1-CORVETTE CROSSFIRE 350CI (5.7 litres) L83 de 1982 et 1984 .
La corvette C3 de 1982 inaugure le systéme d'injection Crossfire sous le code moteur L83, il n'y aura pas de production de corvette en 1983, puis c'est la corvette C4 de 1984 qui en sera équipé avant de passer à la TPI multipoint en 1985.
|
|
 |
|
 |
 |
|
| Même base pour 1982 et 1984 coté essence : une pompe dans le réservoir pousse au travers d'un filtre sous chassis vers le TBI maitre, les pulsations de la pompe sont compensées à l'entrée, la ligne alimente ensuite le TBI esclave à régulateur de pression incorporé, le surplus d'essence retourne au réservoir. |
|
|
|
 |
|
 |
|
 |
|
 |
 |
|
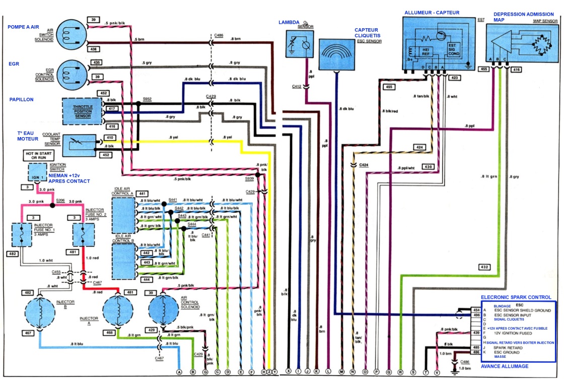
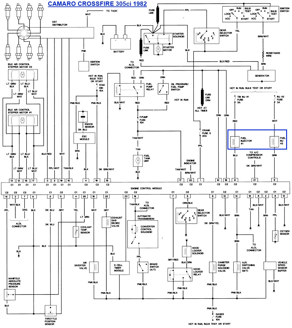
| Des différences d'emplacements de composants entre 1982 (C3) et 1984 (C4) : si le module interne à l'allumeur est toujours dedans ( EST : Electronic Spark Timing) par contre le boitier d'injection, le connecteur diagnostique et le module d'avance externe changent de place ( ESC : Electronic Spark Control) est en 1982 à coté de la batterie (derriére siege conducteur avec le boitier d'injection) et en 1984 à coté du moteur de ventilation ( dans le compartiment moteur). De plus ils n'ont pas la même forme. |
|
 |
|
 |
|
 |
|
.jpg) |
|
|
|
.jpg) |
|
 |
 |
|
 |
 |
|
.jpg) |
|
.jpg) |
|
 |
|
|
|
|
| Les codes de défaut 1982-1984 applicables au Crossfire. |
|
 |
|
| L'allumeur posséde un module interne EST (Electronic Spark Timing) qui donne les impusions de régime moteur mais pas que. Il donne aussi l'avance initiale et valide le module d'avance ESC (Electronique Spark Control) par la fiche ESC. En dessous de 400tr/mn l'EST de l'allumeur met le fil ESC à la masse, au-dessus il met un 5 volts de référence venant du boitier d'injection sur ce fil. Si le boitier d'injection ne voit pas de changement il sort le code 42 (fil ou module EST allumeur en défaut). Ce module est sensible et seul un module GM d'origine fonctionnera correctement avec le calculateur. Si OK et que le moteur monte dans les tours, l'ESC va enlever du retard (donc donner de l'avance) pour commander la bobine d'allumage dans la limite maxi du cliquetis (trop d'avance). Si mauvais fonctionnement vu par le boitier d'injection il sort le code erreur 43. Attention pour régler l'avance initiale du moteur il faut débrancher la fiche ESC Electronic Spark CONTROL. |
|
 |
|
 |
 |
|
|
| Des différences de cablage aussi car la C3 et la C4 ne sont pas de même génération, même si le principe reste identique. |
|
 |
|
 |
 |
|
 |
|
 |
|
| Comme tout systéme électronique le Crossfire est sensible aux problémes de masses. Il est sensible aussi aux fuites de dépression. Enfin la pression de la pompe est cruciale entre 9 et 14 psi . Pas assez mauvais démarrage broutage, trop surconsommation, noyage à chaud, ... |
|
 |
 |
|
|
| 1-CAMARO et FIREBIRD 305ci ( 5 litres ) CROSSFIRE LU5 de 1982 à 1984 .
On retrouve le même principe de Crossfire sur les Camaro et Firebird mais en 305ci moteur LU5. De plus il y a eu une production en 1983 contrairement aux Corvette. Le cablage électrique et l'implantation des composants différent de la corvette car ce ne sont pas les même carosseries. Cependant le fonctionnement et les pannes potentielles sont identiques.
|
|
 |
 |
|
 |
|
 |
|
 |
 |
|
|
|
|
|
|
|
|
|
|
|
|
|
|
|
|
|
|
|
|
|
|
|
|